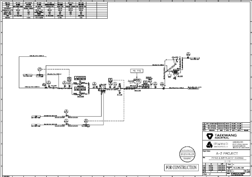
분체이송시스템(PNEUMATIC CONVEYING SYSTEM)
당사는 산업분야중 분체이송시스템(PNEUMATIC CONVEYING SYSTEM)의 설계,제작 설치 및 시운전을 담당하는 전문엔지니어링 업체입니다.
여기서 분체이송시스템(PNEUMATIC CONVEYING SYSTEM)이라함은 각종 산업현장에서 사용되고 있는 원재료 또는
(반)제품을 원료의 특성에 부합되도록 처리하거나 각 공정별로 요구되는 사양으로 가공하여 공급시켜주는 장치를 말합니다.
폐사가 관여하고 있는 부분은 고체 부분이며, 이를 다루는 사업을 분체이송시스템 사업으로 총칭 할 수 있습니다.
폐사의 사업 영억은 이송시스템을 구상하는 가장 주된 부분인 이송설비의 방식을 기준으로 뉴메틱컨베잉시스템으로 구분됩니다.

분체이송 방식에서 Vacuum System으로 이송을 하는 경우는 공기원 기기를 계통의 후단부에 설치하여 관로의 시발점에서 흡입한 공기에 의해 분체를 이송합니다.
이송 계통의 시작점에는 FILTERING 장치를 설치 하여 이물질 혼입을 방지하고, 이송원료가 배출되는 계통의 후단부는 원료와 공기가 분리될수 있도록 분급기를 설치합니다.
주로 사용하는 공기원은 ROOTS,TURBO,FAN BLOWER이며 타 이송방식에 비해 설비가 간단하고 여러 계통에서 1개소로 집약 수송을 할 수 있으므로 설치 및 가격이 저렴한 이점이 있습니다.
| 적용 | Fine powders, Pellet Grains and Granulates 등의 식품,화학,곡물 이송 |
|---|---|
| 이송량 | 0.1~50t/hr |
| 이송거리 | 1~500m |
| MAIN CONSTRUCTION ITEM | Storage Silo, Rotary Valve, Header, Bag filter, Roots Blower(Vacuum),Cyclone,Weighing System |


저압 압송 방식으로 이송하는 경우는 공기원 기기를 계통의 전단부에 설치하여 기기에서 발생하는 공기의 압력으로 인해 분립체를 수송하는 방식입니다.
상기 방식 또한 공기압기기가 전단에 위치하나 공기를흡입한후 압력을 발생시키므로 공기원기기 전단에 이물질 혼입을 방지하는 여과장치를 설치하여 이를 방지하며 이송관로에 배출되는 원료의 양을 저농도 및 일정량을 공급하기 위해 ROTARY FEEDER 및 AIR LOCK HOPPER 등과 같은 공급장치를 설치합니다.
주로 사용하는 공기원은 ROOTS,TURBO BLOWER이며 계통중간에 전환밸브를 설치하여 여러 장소로 분산수송을하는데 적합한 방식이며, 상대적으로 낮은 투자비와 중,대 용량 이송이 가능할 때 사용합니다 추가 증설 또한 용이 합니다.
저압 저압압송식으로 원료의 변형을 막기위해 공기원을 N2를 사용하는 질소 밀폐식(N2 CLOSE LOOP) 이송 방법을 사용하기도 합니다.
| 적용 | Fine powders, Pellet Grains and Granulates 등의 식품,화학,곡물 이송 |
|---|---|
| 이송량 | 0.1~50t/hr |
| 이송거리 | 1~500m |
| MAIN CONSTRUCTION ITEM | Storage Silo & Tank, Rotary Feeder, Blower & Vent Filter, Ejector, Air lock Chamber Bag filter,Weighing System |


고압 방식은 고압의 압축공기를 이용하여 원료를 이송 하는 방식으로 저압압송방식(LOW PRESSURE SYSTEM)과 비교하여 설비의 구조는 크게 다르지 않지만 공기원 기기가 공기압축기(콤푸레셔) 로 사용되어 고압의 압력 (약 2~5kgf/㎠)이 발생하여 이송되므로 원료를 공기압송기 (TRANSPORTER) 등과 같은 고압용 탱크류에 저장하여 이송합니다.
이송계통은 공기압송기에 압축공기를 분사하여 압력이 부유된 상태에서 원료와 함께 이송되며 압송기 하부에 혼합비를 조절 할수 있도록 AERATION NOZZLE을 설치하고 관로에 AIR의 유동성을 유지할수 있도록 분사기(AIR BOOSTER)를 부분적으로 설치하여 원료와 공기가 유동상태로 혼합되어 이송됩니다.
상기 방식에서 일반적으로 요구되는 공기원 기계는 스크류형 공기압축기 또는 왕복동형 공기 압축기를 사용합니다.
이는 사용 공기량이 적은 반면 압력이 높기 때문이며 계통의 후단부에 설치하는 분급포집기를 소형으로 할수 있는 잇점이 있습니다.
아울러 고압 방식에 사용되는 Transporter는 고압을 사용하는 관계로 산업안전 관리공단에 압력용기 검사 필을 요합니다.
| 적용 | 장거리 대용량 수송(식품,석유화학,고무제품) |
|---|---|
| 이송량 | 0.1~100t/hr |
| 이송거리 | 1~1000m |
| MAIN CONSTRUCTION ITEM | Storage Silo & Tank, Transporter,Air Compressor&Dryer,Air Receiver, Screw Feeder, Ribbon Blender, Weighing System, Bin Activator |

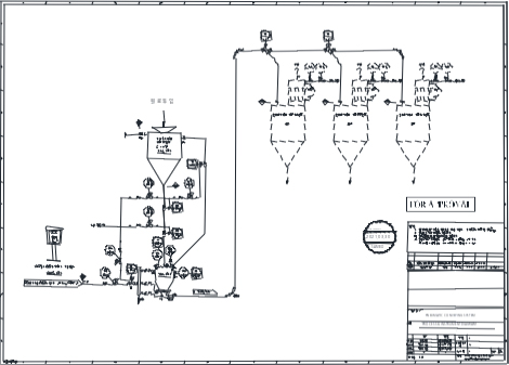
분체이송중 대용량의 원료를 저장하기 위한 장치로 TANK LORRY로 하역하는 원료를 저장하기 위한 대표적인 장치입니다.
삼보산기는 보다 정확한 설계를 위하여 원료의 특성을 고려하여 Compress, Solidworks, Midas등의 다양한 해석 프로그램을 사용하고 있습니다.

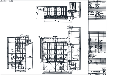
분진이 함유된 배출가스를 나란히 설치된 여러 개의 여과포에 통과시키면서 분진이 여과포에 포집되는 장치이다.
집진효율이 높고 안전된 연속운전이 가능하며 여과속도의 조정으로 다량의 풍량을 처리할 수 있다.
함진배기는 입구에서 압송 또는 흡입에 의하여 Housing네로 들어가고 청정공기는 관내부를 통해 상부로 배출된다.
여과포 자체는 약간의 분진을 포집하지만 더 중요한 역할은 직물위에 빠르게 쌍이는 먼지층의 지지체로써 작용하는 것이다.
따라서 미세분진 및 고농도의 분진은 먼지층에 의해 더욱 효율적으로 포집하고 포집된 분진은 기계식 장치에 위해 배출된다.
처리가스량의 범위는 3m3/min 이상이고 집진효율은 최대 99%에 달한다.
여과포의 선정은 함진가스의 특성과 온도등을 고려하여 재질을 선정해야 한다,
